- 產品介紹
單葉輪5.5kw漩渦氣泵型號:2GH810-H17
參數:

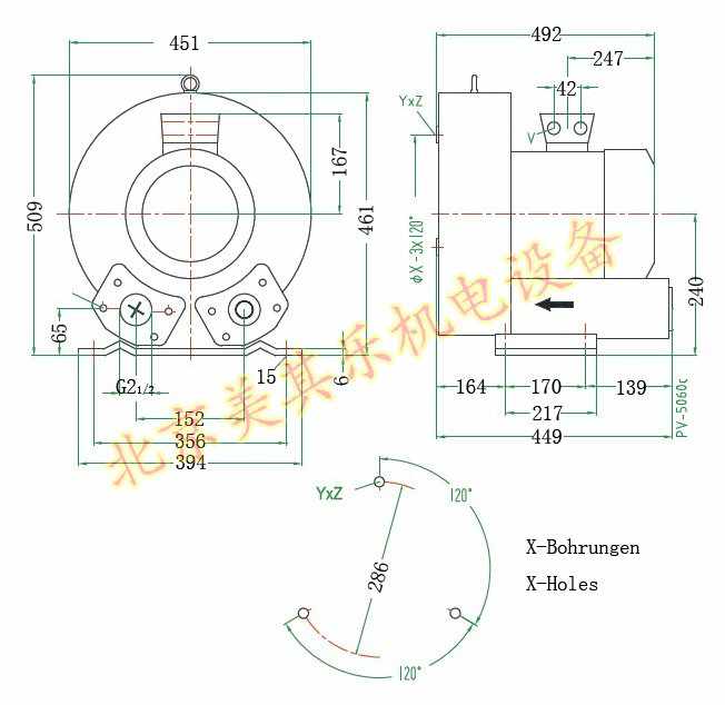
單葉輪5.5kw漩渦氣泵尺寸圖:

參數:
| 50HZ參數 | 60HZ參數 | |||||
| 葉輪: | 單 | (級) | 葉輪: | 單 | (級) | |
| 功率: | 5.5 | (Kw) | 功率: | 6.3 | (Kw) | |
| 輸入電壓: | 345-415△600-720Y | (V) | 輸入電壓: | 380-480△660-720Y | (V) | |
| 電流: | 12.9△/7.4Y | (A) | 電流: | 12.9△/7.45Y | (A) | |
| 噪音: | 80 | dB(A) | 噪音: | 82 | dB(A) | |
| 重量: | 65 | (Kg) | 重量: | 65 | (Kg) | |
| 排吸氣量: | 530 | (m3/h) | 排吸氣量: | 620 | (m3/h) | |
| 吸入壓力: | -300 | (mbar) | 吸入壓力: | -320 | (mbar) | |
| 排氣壓力: | 320 | (mbar) | 排氣壓力: | 340 | (mbar) |

單葉輪5.5kw漩渦氣泵尺寸圖:








